近日有一些小伙伴咨询小编关于UG如何绘制回转体呢?下面就为大家带来了在UG绘制回转体的详细操作过程,有需要的小伙伴可以来了解了解哦。
UG绘制回转体的详细操作过程
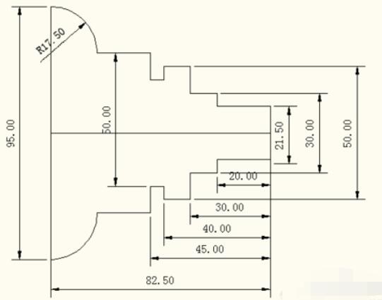
用回转体绘制如图的师体
打开UG软件,点击【新建】
输入名称和指定路径后单击【确定】
点击【插入】→【任务环境中草图】→【确认】
绘制图中上半部分
点击【完成草图】
点击图中的小三角形,选择【回转】
选择曲线
指定矢量
点击【确认】
完成
今日就快来学习本文UG绘制回转体的详细操作内容吧,相信在以后的使用中一定会得心应手的。
